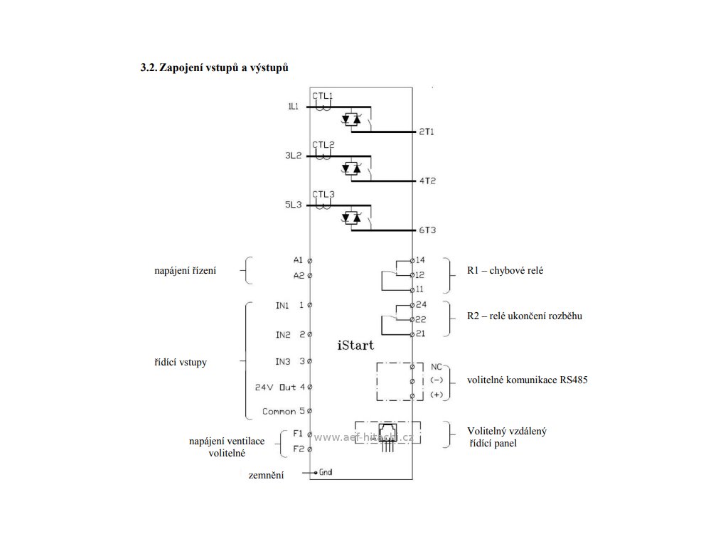
Softstartér Solcon iStart 230 +3M
Popis
Sofstartér iStart 230+3M Modbus RTU je vysoce promyšlený, flexibilní a spolehlivý digitální softstartér, řízený ve třech fázích pro motory do 110kW. Nový moderní design spojený s tradiční spolehlivostí a robustností.
| napájecí napětí | 3x400V |
| řídící napětí | 24VDC |
| komunikace | Modbus RTU |
| softstartér pro výkon motoru do | do 110kW |
| jmenovitý proud softstartéru | 230A |
Buďte první, kdo napíše příspěvek k této položce.
Pouze registrovaní uživatelé mohou vkládat příspěvky. Prosím přihlaste se nebo se registrujte.
